| Выходной сигнал | Сигнал постоянного тока 4-20 мА линейный с температурой в диапазоне |
| Базовая точность | Термопарный датчик температуры±0,5%FS; Терморезистивный датчик температуры ±0,2%FS; |
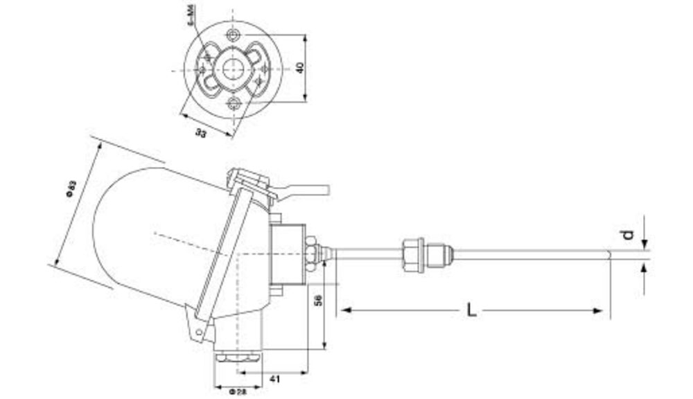
| Режим передачи | двухпроводная система |
| Источник постоянного тока | 12-30 В постоянного тока. Номинальное напряжение 24 В постоянного тока |
| Сопротивление нагрузки | Рассчитана предельная нагрузка сопротивления нагрузки; RL(макс)=50(U-12) В формуле передатчик представляет собой напряжение постоянного тока При номинальном напряжении менее 24 В: RL(макс)=50(24-12)=600 Ом |
| Нормальные условия эксплуатации | а.Температура окружающей среды: - 25℃~85℃ (специальное требование - 40℃~90℃ ) б. Относительная влажность: 5%-95% в.Механическая вибрация: 10-150 Гц. A=0,15 мм г. Никакая среда не вызывала коррозии передатчика в окружающем воздухе. |
| Помехи электромагнита | При работе радиопередатчика 20-1000 МГц и 5 Вт на расстоянии 0,5 метра от передатчика.lt должен варьироваться ± 0,15%FS. |
| Температурный дрейф | При изменении температуры окружающей среды на 1℃ нулевая точка изменяется на ±0,15% FS, а диапазон измерения изменяется на ± 0,01% FS |
Использование и проводка
1. Примечание по электропроводке: Обратите внимание, что термочувствительный элемент и диапазон измерения были надежно подключены перед отправкой с завода. Как правило, не регулируйте потенциометр регулировки диапазона, если в этом нет необходимости.
2. Для установки встроенных термопар (ТП) и термосопротивлений (ТС) обратитесь к другим инструкциям по эксплуатации для аналогичных типов ТП и ТС.
3. Встроенные ТП и ТС оснащены двухпроводным токовым выходом, поэтому требуется только два медных проводника.
Пример заказа
Укажите в заказе модель, градуировку, общую длину и глубину погружения, т.е. (L × I)
Пример 1:WRNKB-230 K 1150x1000
IE: Двухпроводная система, интегрированная термопара в оболочке, фиксированная установка болтов, водонепроницаемая соединительная коробка, внешний диаметр Φ16 мм, градуировка K, общая длина 1150, глубина вставки 1000 мм.
Пример 2: WZPKB-336 Pt100 L=1000
IE: Двухпроводная система с интегрированной оболочкой из платины, термостойкость, установка подвижного болта с наконечником, водонепроницаемая соединительная коробка, наружный диаметр, градуировка Pt100, общая длина 1000 мм.
Термопара и тепловое сопротивление с датчиком температуры
| Модель | Выпускной знак | Диапазон измерения(℃) | Трубка корпуса | ||
| Материал | Диаметр трубки. | Спецификация. | |||
|
SBWZPR-231 |
Pt100 |
-50-400 | 1Cr18Ni9Ti、316 | Φ6-12 | 300×150 400×250 450×300 500×350 |
|
SBWRNR-231 |
R | 0-1000 | 1Cr18NiSTi、GH2520、316 | Φ6-12 | |

| Модель | Выпускной знак | Диапазон измерения(℃) | Трубка корпуса | ||
| Матениевый | Диаметр трубки. | Спецификация. | |||
| SBWZPK2-231 |
Pt100 |
-50-400 | 1Cr18Ni9Ti、316 | Φ6-12 | 550×400 600×450 650×500 700×550 750×600 800×650 1000×850 1150×1000 1350×1200 |
| SBWRNR2-231 | R | 0-1000 | 1Cr18Ni9Ti、GH2520、316 | Φ6-12 | |

Малое тепловое сопротивление и термопара подключаемого типа Hirschmann
| Модель | Выпускной знак | Диапазон измерения(℃) | Трубка корпуса | ||
| Матениевый | Диаметр трубки. | Спецификация. | |||
|
SBWET-201 |
Pt100 |
-50-400 | 1Cr18Ni9Ti、316 | Φ4-12 | 50 100 150 200 300 400 500 |
| SBWET-200 | R | 0-800 | 1Cr18Ni9Ti、GH2520、316 | Φ4-12 | |

ООО «Цзянсу Чжаолун Электрик» (Jiangsu Zhaolong Electrics Co., Ltd.) является региональным высокотехнологичным предприятием и производственной базой датчиков температуры и приборов контроля температуры. Совместно с рядом научно-исследовательских институтов и академий Шанхая мы разработали и запустили в производство серию термопар (терморезисторов) и электронных устройств контроля температуры. Данная продукция поставляется по всей стране и за рубеж, обладая преимуществом в соотношении цены и качества. Наши изделия пользуются высокой репутацией на рынке и завоевали доверие клиентов благодаря превосходным характеристикам, привлекательному дизайну, высокой надёжности, передовым технологиям и оптимальной стоимости.
Благодаря сильной команде технических разработчиков и запатентованным результатам мы можем выполнять заказы как по стандартным, так и по специальным техническим условиям, а также проектировать и устанавливать для клиентов автоматические термостатические камеры и помещения различных масштабов, а также системы дистанционного мониторинга и контроля температуры.
7-я Тайчжоуская международная выставка технологий и оборудования электрического отопления подошла к идеальному заверш...
Узнать БольшеВ области химических применений передатчики давления играют очень важную роль и широко используются. Существует множе...
Узнать БольшеСоветы по безопасности при использовании термопарных датчиков включают правильную установку для предотвращения повреж...
Узнать БольшеВо многих отраслях промышленности поддержание точных и постоянных уровней давления имеет решающее значение для безопа...
Узнать Больше